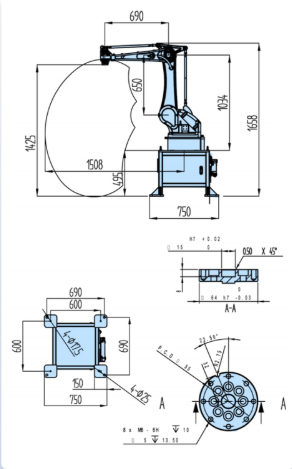
ROBOT SZGH-B1500-10C
Robot SZGH-B1500-10C là robot công nghiệp được thiết kế để tự động hóa các quy trình gia công CNC, giúp nâng cao độ chính xác và tối ưu hiệu suất sản xuất. Sản phẩm phù hợp cho các ứng dụng gắp phôi, nạp phôi, bốc dỡ chi tiết trong hệ thống máy CNC, góp phần giảm chi phí nhân công và tăng tính ổn định trong vận hành.
Robot SZGH-B1500-10C có kết cấu chắc chắn, khả năng vận hành linh hoạt và độ ổn định cao, phù hợp với nhiều dây chuyền sản xuất trong ngành cơ khí chế tạo, gia công kim loại và tự động hóa công nghiệp.
ROBOT SZGH-B1500-10C

Robot công nghiệp SZGH-B1500-10C được ứng dụng trong dây chuyền tự động hóa sản xuất, đặc biệt cho các công việc xếp pallet, gắp – đặt và bốc xếp thùng carton, bao tải, sản phẩm đóng gói. Robot phù hợp với các ngành thực phẩm, đồ uống, vật liệu xây dựng và logistics, giúp tăng năng suất, giảm chi phí nhân công và nâng cao độ chính xác trong sản xuất.







